教您認識法蘭
2016年01月19日 |
閱讀次數:13233常州沛德水處理設備有限公司教您認識法蘭,詳細為您介紹法蘭材質、品種、標準、法蘭簡介、類型、密封面形式、作用、優點、缺點、法蘭基礎知識問答,讓您了解法蘭。
管法蘭及其墊片、緊固件統稱為法蘭接頭。法蘭接頭是工程設計中使用極為普遍、涉及面廣泛的一種零部件。它是配管設計、管件閥門必不可少的零件,而且也是設備、設備零部件(如人孔、視鏡液面計等)中必備的構件。此外,其它如工業爐、熱工、給排水、采暖通風、自控等,也經常使用法蘭接頭。
材質:鍛鋼、WCB碳鋼、不銹鋼、316L、316、304L、304、321、鉻鉬鋼、鉻鉬釩鋼、鉬二鈦、襯膠、襯氟材質。
品種:平焊法蘭、帶頸法蘭、對焊法蘭、環連接法蘭、承插法蘭、及盲板等。
執行標準有GB系列(國標準)、JB系列(機械部)、HG系列(化工部)、ASME B16.5(美標)、BS4504(英標)、DIN(德標)、JIS(日標)。
管法蘭標準體系:管法蘭標準主要有兩個體系,即以德國DIN(包括原蘇聯)為代表的歐洲管法蘭體系和以美國ANSI管法蘭為代表的美洲管法蘭體系。除此之外,還有日本JIS管法蘭,但在石油化工裝置中一般僅用于公用工程。
各國管法蘭簡介
以德國及原蘇聯為代表的歐洲體系管法蘭
美洲體系管法蘭標準,以ANSI B16.5和ANSI B 16.47為代表。
英國和法國管法蘭標準,兩國各有兩套管法蘭標準,綜上所述,管法蘭標準可概括為兩個不同的,且不能互換的管法蘭體系:一個以德國為代表的歐洲管法蘭體系;另一個是以美國為代表的美洲管法蘭體系。IOS7005-1是標準化組織于1992年頒布的一項標準,該標準實際上是把美國和德國兩套系列的管法蘭合并而成的管法蘭標準。 兩個體系的管法蘭連接尺寸安全不同,無法互配。兩個體系的管法蘭以壓力等級來區分為合適,即歐洲體系為0.25、0.6、1.0、1.6、2.5、4.0、6.3、10.0、16.0、25.0、32.0、40.0MPa,美洲體系為1.0、2.0、5.0、11.0、15.0、26.0、42.0MPa。
1、我國管法蘭標準現狀
我國化工、石化行業使用的管法蘭常用的標準 1.英制管 GB 9112~9125、SH 3406
2、公制管(國內常用的鋼管外徑尺寸系列) HGJ44~76、JB/T74~90 DIN的連接尺寸與JB標準是有所差別的,具體見下表:

(注:表中括號內的“全部”表示所有規格緊固件被緊固件所代替。“部分”表示有一部分該規格的緊固件有變化,但仍有一部分規格的緊固件未變化,是一致的。)
HG新標準與JB老標準法蘭配合使用時,要注意以下幾點:
1.有三個法蘭的螺栓個數不一致,其中有兩個規格(PN0.25/DN500、PN0.6/DN500)直接影響配合;PN1.0/DN80HG標準螺栓個數8,JB標準螺栓個數是4;
2.部分老標準法蘭(JB系列2)的螺孔能擴孔1~2mm,另有一部分可在安裝時加墊圈;
3.PN16.0MPa的高壓管法蘭,新HG與JB標準連接尺寸不同。
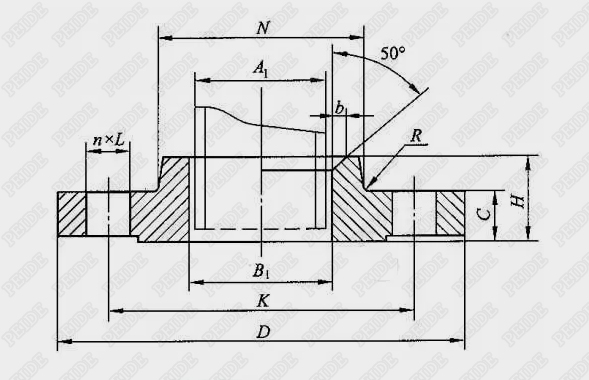
法蘭類型和密封面形式
一、板式平焊法蘭

板式平焊法蘭(化工標準HG20592、國標準GB/T9119、機械JB/T81):取材方便,制造簡單,成本低,使用廣泛;但剛性較差,因此不得用于有供需、易燃、易爆和較高真空度要求的化工工藝配管系統和高度、極度危害的場合。密封面型式有平面和突面。

二、帶頸平焊法蘭


帶頸平焊法蘭屬于國標法蘭標準體系。是國標法蘭(又稱GB法蘭)的其中一種表現形式,是設備或管道上常用的法蘭之一。
帶頸平焊法蘭頸部高度較低,對法蘭的剛度、承載能力有所提高。與對焊法蘭相比,焊接工作量大,焊條耗量高,經不起高溫高壓及反復彎曲和溫度波動,但現場安裝較方便,可省略焊縫拍揉傷的工序。

三、帶頸平焊法蘭

帶頸平焊法蘭全稱帶頸平焊鋼制管法蘭英文名稱:Slip-on 簡稱SO
帶頸平焊法蘭同板式平焊法蘭一樣也是將鋼管、管件等伸入法蘭內通過角焊縫與設備或管道連接的法蘭。
帶頸平焊法蘭的密封面形式有:
突面(RF)、凹面(FM),凸面(M)、榫面(T),槽面(G),全平面(FF)。
帶頸平焊法蘭的通徑范圍:DN10~DN600
適用范圍:PN系列 PN2.5~PN40; Class系列Class150~Class1500
法蘭材料:碳素鋼、珞鉬鋼、304、316、304L、316L、321、347、CF8C。
制造工藝 :鍛造。
優點:帶頸平焊法蘭也屬于平焊法蘭,因為有個短頸,從而提高了法蘭的強度改善了法蘭的承載力度。所以可以用于更高壓力的管道上。
缺點:較板式平焊法蘭而言造價更高,由于其形狀的特點在運輸途中更容易磕碰。

四、整體法蘭

整體法蘭是一種法蘭的連接方式。也是屬于帶頸對焊鋼制管法蘭的一種。材質有碳鋼、不銹鋼、合金鋼等。在國內各個標準之中,用IF來表示整體法蘭。多用于壓力較高的管道之中。生產工藝一般為鑄造。
在法蘭類型中就是用一個“IF”來表示整體法蘭的類型。一般為突面(RF),如果在易燃、易爆、高度和極度危害的使用工況之中,則可以選用除了RF面之外的凸凹面(MFM)及榫槽面(TG)的密封面的形式。

五、承插焊法蘭

承插焊法蘭是一端與鋼管焊接另一端用螺栓連接的的法蘭。
密封面形式:突面(RF)、凹凸面(MFM)、榫槽面(TG)、環連接面(RJ)
應用范圍:鍋爐壓力容器、石油、化工、造船、制藥、冶金、機械、沖壓彎頭食品等行業承插焊法蘭:常用于PN≤10.0MPa,DN≤40的管道中;

六、螺紋法蘭

螺紋法蘭是將法蘭的內孔加工成管螺紋,并和帶螺紋的管子配套實現連接,是一種非焊接法蘭。它和平焊法蘭或對焊法蘭相比,螺紋法蘭具有安裝、維修方便的特點,可在一些現場不允許焊接的管線上使用。合金鋼法蘭有足夠的強度,但不易焊接,或焊接性能不好,亦可選擇螺紋法蘭。但在管道溫度變化急劇或溫度高于260℃低于-45℃的條件下,建議不使用螺紋法蘭,以免發生泄漏。

七、對焊環松套法蘭

對焊環松套法蘭是可以活動的法蘭片,一般是配套在給排水配件上,廠家出廠時伸縮節兩端就各有一片法蘭,直接與工程中的管道、設備用螺栓連接。
焊環松套法蘭的作用:
使用對焊環松套法蘭的目的一般是為了節省材料,其結構分成兩部分,管子部分一頭和管道接,一頭做成對焊環。法蘭盤采用低等級的材料,而管子部分使用和管道一樣的材料,達到節省材料的目的。
對焊環松套法蘭的優點:
1、節約成本。當管材材質特殊,價格昂貴時,焊接同樣材質的法蘭成本高。
2、不便于焊接或不便于加工或需要的強度大。如塑料管、玻璃鋼管之類。
3、便于施工。如連接時法蘭螺栓孔對應不便于找正或者防止日后更換設備法蘭螺栓孔有變等。
對焊環松套法蘭的缺點:
1、承受壓力低。
2、焊環處強度低(特別是厚度3mm以下時)
八、平焊環松套法蘭

平焊環松套法蘭盤是可以活動的法蘭片。直接與工程中的管道、設備用螺栓連接。使用平焊環松套法蘭盤的目的一般是為了節省資料,其結構分成兩部分,管子局部一頭和管道接,一頭做成翻邊,法蘭盤部分套在翻邊上。法蘭盤采用低等級的資料,而管子局部使用和管道一樣的資料,達到節省資料的目的。
平焊環松套法蘭的缺點:
1)接受壓力低。
2)焊環處強度低(特別是厚度3mm以下時)
平焊環松套法蘭的優點:
1)方便于焊接或方便于加工或需要的強度大,如塑料管、玻璃鋼管之類。
2)便于施工,如連接時法蘭螺栓孔對應方便于找正或者防止日后更換設備法蘭螺栓孔有變等。
3)價格貴時,節約本錢。當管材材質特殊,焊接同樣材質的法蘭成本高。

九、法蘭蓋

也稱盲板法蘭、盲板。是中間不帶孔的法蘭,供封住管道堵頭用。作用與焊接封頭及絲扣管帽是一樣的,只不過盲板法蘭和絲扣管帽可以隨時卸下來,而焊接封頭則不行。密封面的形式種類較多,有全平面、突面、凹凸面、榫槽面、環連接面。生產主要區域在孟村一帶。
法蘭蓋密封面
平面(FF)、突面(RF)、凹凸面(MFM)、榫槽面(TG)、環連接面(RJ)

十、襯里法蘭蓋

襯里法蘭蓋是一種盲板法蘭,接近介質的一邊堆焊不銹鋼,為1 個整體。襯里法蘭蓋用在有腐蝕性介質的管道上作盲板用。與普通法蘭蓋的區別是與介質接觸面增加了防腐襯層。

十一、美標帶頸平焊法蘭

帶頸平焊法蘭連接于管端。主要是使管子與管子相互連接的零件。帶頸平焊法蘭上有孔眼,可穿螺栓,使兩法蘭緊連,法蘭間用襯墊密封。帶頸平焊法蘭聯接指由一對法蘭、一個墊片及若干個螺栓螺母組成。墊片放在兩法蘭密封面之間,擰緊螺母后,墊片表面上的比壓達到一定數值后產生變形,并填滿密封面上凹凸不平處,使聯接嚴密不漏。法蘭聯接是一種可拆聯接。按所聯接的部件可分為容器法蘭及管法蘭。帶頸平焊法蘭適用于公稱壓力不超過2.5MPa的鋼管道連接。
帶頸平焊法蘭用于法蘭與管子的對口焊接,其結構合理,強度與剛度較大,經得起高溫高壓及反復彎曲和溫度波動,密封性可靠。公稱壓力為0.25~2.5MPa的帶頸平焊法蘭采用凹凸式密封面。

十二、美標帶勁對焊法蘭

美標法蘭是使管子與管子相互連接的零件,連接于管端。美標對焊法蘭由鍛造而成和澆鑄而成兩種方法。美標對焊法蘭根據帶頸情況可以分為帶頸美標對焊法蘭和不帶頸的美標對焊法蘭。美標對焊法蘭由兩個法蘭盤加上法蘭墊,用螺栓緊固在一起,完成了連接。美標法蘭上有孔眼,螺栓使兩法蘭緊連.法蘭間用襯墊密封。

法蘭基礎知識問答
一、什么是活套法蘭,活套法蘭用在什么地方和什么管件中?
活套法蘭即是可以活動的法蘭片,一般是配套在給排水配件上(伸縮節上常見),廠家出廠時伸縮節兩端就各有一片法蘭,直接與工程中的管道、設備用螺栓連接。
二、法蘭是怎么和管道連在一起的 焊在什么部位?
法蘭分類很多。一般用有平法蘭、對焊法蘭(長頸法蘭)、活套法蘭等 。平焊法蘭用于中低壓,采用插焊,兩邊焊接,焊接深度距法蘭密封面2-5mm, 對焊法蘭直接對焊就可以,活套法蘭螺栓連接無需焊接。
三、法蘭式是什么意思?
法蘭是一個鏈接件,用來連接閥門與管道,就是閥門在和管道連接的時候連接處是通過螺栓連接的,因此閥門兩個端面帶有N個均布螺栓孔就是法蘭式。
1、法蘭:法蘭是flange的譯音,意為帶凸緣的東西、零件,這種零件可以是單獨的,就是法蘭盤,也可以是組合型的,如管子的一端或兩端帶凸緣,凸緣上頭有幾個通孔,以便安裝螺絲,有的軸承外圈帶有凸緣,這個凸緣可以有孔,也可以不帶孔,只作擋邊定位用。
2、法蘭式:閥門與管道或機器設備的連接采用的是法蘭連接,即通稱這種連接方式為法蘭式。
四、什么是法蘭?
法蘭是一種盤狀零件,在管道工程中為常見,法蘭都是成對使用的。在管道工程中,法蘭主要用于管道的連接。在需要連接的管道,各種安裝一片法蘭盤,低壓管道可以使用絲接法蘭,4公斤以上壓力的使用焊接法蘭。兩片法蘭盤之間加上密封點,然后用螺栓緊固。不同壓力的法蘭有不同的厚度和使用不同的螺栓。水泵和閥門,在和管道連接時,這些器材設備的局部,也制成相對應的法蘭形狀,也稱為法蘭連接。凡是在兩個平面在周邊使用螺栓連接同時封閉的連接零件,一般都稱為“法蘭”,如通風管道的連接,這一類零件可以稱為“法蘭類零件”。但是這種連接只是一個設備的局部,如法蘭和水泵的連接,就不好把水泵叫“法蘭類零件”。比較小型的如閥門等,可以叫“法蘭類零件”。
五、法蘭是怎樣一種連接方式?
法蘭連接是管道施工的重要連接方式。
法蘭連接就是把兩個管道、管件或器材,先各自固定在一個法蘭盤上,兩個法蘭盤之間,加上法蘭墊,用螺栓緊固在一起,完成了連接。有的管件和器材已經自帶法蘭盤,也是屬于法蘭連接。
法蘭分螺紋連接(絲接)法蘭和焊接法蘭。低壓小直徑有絲接法蘭,高壓和低壓大直徑都是使用焊接法蘭,不同壓力的法蘭盤的厚度和連接螺栓直徑和數量是不同的。
根據壓力的不同等級,法蘭墊也有不同材料,從低壓石棉墊、高壓石棉墊到金屬墊都有。
法蘭連接使用方便,能夠承受較大的壓力。
在工業管道中,法蘭連接的使用廣泛。在家庭內,管道直徑小,而且是低壓,看不見法蘭連接。如果在一個鍋爐房或者生產現場,到處都是法蘭連接的管道和器材。 法蘭連接就是把兩個管道、管件或器材,先各自固定在一個法蘭盤上,兩個法蘭盤之間,加上法蘭墊,用螺栓緊固在一起,完成了連接。有的管件和器材已經自帶法蘭盤,也是屬于法蘭連接。
注意連接的時候尤其是螺栓緊固的時候要做到所有的螺栓緊的一樣。
六、法蘭的用處是什么?
法蘭是用來定位的。
比如油缸有一種安裝方式就叫做法蘭安裝,就是比如一長方體四周打四個對稱的孔,中間有一個大孔和油缸的外徑相同,把這個長方體套在油缸上它們之間可以焊接后其他方式固定在一起,油缸和其他東西連接是就是靠這個長方體的周圍四個孔連接,這個長方體就可以稱做法蘭。
七、孔板法蘭的連接方式和普通的法蘭有何不同?
就是把兩個管道、管件或器材,先各自固定在一個法蘭盤上,兩個法蘭盤之間,加上法蘭墊,用螺栓緊固在一起,完成了連接。
孔板法蘭是孔板流量計上將孔板連接(孔板流量計的測量部分)到管道上,兩面法蘭將孔板固定在中間,通過法蘭上的取壓點,引到差壓變送器上,來測量流量。
八、為確保安裝的法蘭不滲漏油,對安裝時注意哪些問題?
1、法蘭應有足夠的強度,緊固時不得變形。法蘭密封面應平整清潔,安裝時要認真清理油污和銹斑。
2、密封墊應有良好的耐油和抗老化性能,以及比較好的彈性和機械強度。安裝應根據連接處形狀選用不同截面和尺寸的密封墊,并安放正確。
3、法蘭緊固力應均勻一致,膠墊壓縮量應控制在1/3左右。
九、對焊法蘭和平焊法蘭有什么區別?
對焊法蘭是接口端的管徑和壁厚與所要焊接的管子一樣,就合兩個管子一樣焊接。
平焊法蘭是接口處加工了比管子外徑略大一點的一個凹臺,管子插在里面焊的。
對焊的焊接性能比較好,腐蝕比較小。
平焊和對焊是法蘭和管道連接時的焊接方式,平焊法蘭焊接時只需單面焊接不需要焊接管道和法蘭連接的內口,對焊法蘭的焊接安裝需要法蘭雙面焊。所以平焊法蘭一般用于低、中壓管道,對焊法蘭用于中、高壓管道的連接,對焊的法蘭一般是至少PN2.5MPa,采用對焊是為了減少應力集中,一般的對焊法蘭多為帶頸法蘭也叫奶嘴法蘭。 所以對焊法蘭的安裝費,人工費和輔材費要高點,因為多一道工序。
對焊法蘭也不是所有的都需要內外雙面焊的,沒有特殊要求一般也只是外面焊一道,沒見過1/2"的對焊法蘭么:),平焊的是比較好焊接的啦,因為管子和法蘭好對垂直,管子不會斜。
十、法蘭和閥門的區別?
閥門是水龍頭一樣的東西,或者說,水龍頭就是閥門中的一種。可以擰開,水或者氣就能流出來了;可以關上,水就不流了。
家里的自來水龍頭是用螺紋擰在管子上的,但工廠里用的一些管子,里邊的水或者氣,壓強很高,用螺紋連接太不結實,就直接焊上或者用其他方法連接。法蘭就是其中一種連接方法。
十一、選擇法蘭的主要原則是什么?
答:對于設計溫度300℃及以下且公稱壓力小于或等于2.5MPa 的管道,應選用平焊法蘭:對于設計溫度大于300℃ 或公稱壓力大于或等于4.0MPa 的管道,應選用對焊法蘭。
十二、什么情況下可以采用螺紋連接方式?
答:當設計壓力小于或等于1.6MPa 且設計溫度不大于200℃ 時,在《 低壓流體輸送用焊接鋼管》GB / T 3091 上可以采用螺紋連接方式。
十三、法蘭泄漏的原因有哪些?
法蘭泄漏,較常見的有以下7種原因。
1.偏口
偏口,指管道與法蘭不垂直、不同心,法蘭面不平行。當內部介質壓力超過墊片的載荷壓力時,就會發生法蘭泄漏。這種情況主要是在安裝施工或檢修過程中造成的,較易被發現。只要在工程完工時以真檢查,就可以避免此種事故的發生。
2.錯口
錯口,指管道和法蘭垂直,但兩法蘭不同心。法蘭不同心,造成周圍的螺栓均不能自由地穿入螺栓孔。在沒有其他辦法的情況下,只有擴孔或用小一號的螺栓穿入螺栓孔,而該方法會減低兩法蘭的拉緊力。并且,密封面的密封面線也有偏差,這樣容易發生泄漏。
3.張口
張口,指法蘭間隙過大。法蘭的間隙過大而造成外載荷時,如軸向或彎曲載荷,墊片就會受到沖擊或震動,失去壓緊力,從而逐漸失去密封動能而導致失效。
4.錯孔
錯孔,指管道與法蘭同心,但兩個法蘭相對的螺栓孔之間的距離偏差較大。錯孔會使螺栓產生應力,該力不去除,將對螺栓造成剪切力,時間長了會把螺栓切斷,造成密封失效。
5.應力影響
在法蘭安裝時,兩法蘭對接都比較規范,但在系統生產中,管道進入介質后,造成管道溫度變化,使管道發生膨脹或變形,從而使法蘭受到彎曲載荷或剪切力,容易造成墊片失效。
6.腐蝕影響
由于腐蝕介質對墊片長時間的侵蝕,使墊片發生化學變化。腐蝕介質滲透到墊片中,墊片開始變軟,失去壓緊力,造成法蘭泄漏。
7.熱脹冷縮
由于流體介質的熱脹冷縮作用,造成螺栓膨脹或收縮,這樣墊片就會產生間隙,介質通過壓力泄漏。
沛德水處理公司生產的紫外線殺菌器,小流量的進出口采用螺紋連接,大流量的進出口都采用法蘭連接,過濾器和電子除垢儀等水處理設備也都使用法蘭連接,方便安裝。







查看更多(共0條)評論列表